学了一年多的PMSM了,用最快的方法在simulink里搭建一个基础的矢量控制模型,不熟悉的话可以参考下,有空更新每个步骤细节和其他实现方法,创作不宜,记得点赞收藏。
1 矢量控制系统框图
话不多说,先看框图

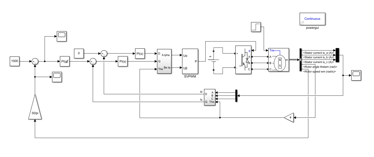
2 矢量控制simulink仿真模型
矢量控制的原理这里不详细概述了,涉及到的东西太多,只做简单说明,有空专门针对每个模块进行说明,根据框图中的模块,矢量控制在Simulink模型和model里需要的模型如下:

下面对每个模块的参数进行说明,也可以根据实际需要自行设置修改
2.1 Powergui和仿真设置
选择模块列表:

找到对应模块:(后面都是通过模型名找到对应的模型图双击或者拖到仿真界面上)

选择仿真步长,这里采样时间设置的小一点,不然后面选择自带的SVPWM会报错


2.2 功能模块
永磁同步电机模块(Permanent MagnetSynchronous Machine):



逆变器桥(Universal Bridge)和直流电源(DC Voltage Source):


** SVPWM模块**(SVPWM Generator(2-Level)):

PID模块(PID Controller):

** 坐标变换模块**(根据坐标变换公式自己写):


bus selector模块(分离出电机中电流、转子位置、转速等信号):
连接到电机选择电流ia,ib,ic,位置角,转速
注意这里是机械位置角,需要转化为电气角(×磁极对数)。转速为电气转速,单位为(rad/s)
速度需要转化为速度/分钟(60/(2pi))


** 其他模块**:
sum模块:

mux和demux模块:

3 仿真
模型搭建好后,选择仿真时长0.2s:

在需要观测的地方添加示波器模块(scope),以转速为例:

PID参数选择为:电流环两个PI控制器的比例和积分设置为10和2000,转速环设置为0.3和1,这个参数可以自己调。
电机运行,观察示波器波形
转速波形:

三相电流:

补充一下:
1.选中的内容按Ctrl+G可以封装模块,输入接口为in,输出接口为out。
2要是电流波形不理想,可以增大SVPWM的频率
版权归原作者 拾小白 所有, 如有侵权,请联系我们删除。