LabVIEW网口网络通讯Delta台达PLC,ModbusTCP协议
官方协议,报文读取,安全稳定。
通讯配置,辅助测试。
PLC无需编写程序。
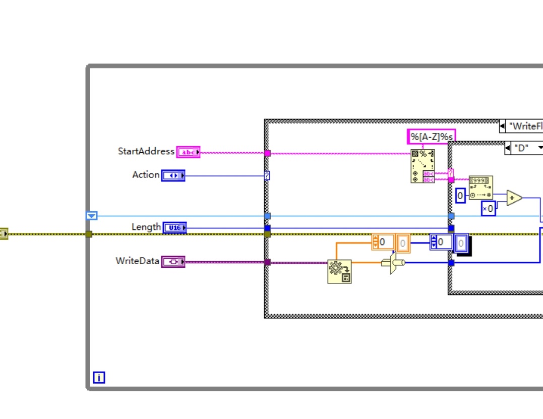
1.命令帧读写。
2.支持 I16 I32 Float 批量读写。
3.支持字符串读写。
4.支持XYMBool批量读写。
5.支持YM单点读写。
程序源码,命令帧文本编写,不调用dll,不安装插件,完胜OPC 等。
YID:9299672133158444
LabVIEW工业控制

基于LabVIEW的Delta台达PLC的ModbusTCP协议网络通讯
引言:
在现代工业控制系统中,PLC(可编程逻辑控制器)起着至关重要的作用。而与PLC通讯,则是实现工业自动化的关键一环。近年来,LabVIEW作为一种功能强大的虚拟仪器软件平台,被广泛应用于工业自动化领域。而Delta台达PLC则是一款功能先进且性能稳定的工业控制设备。本文将重点探讨LabVIEW与Delta台达PLC之间的网络通讯,并详细介绍了其基于ModbusTCP协议的通讯配置、辅助测试以及一些高级功能。
一、ModbusTCP协议简介
Modbus是一种通信协议,广泛用于工业自动化领域,特别适用于不同设备之间的通信。而ModbusTCP协议是基于TCP/IP协议栈的Modbus协议的变种。Delta台达PLC的ModbusTCP协议兼容性强,安全稳定,因此在实际应用中被广泛采用。
二、LabVIEW与Delta台达PLC之间的网络通讯配置
- 硬件连接
在进行网络通讯之前,首先需要建立LabVIEW与Delta台达PLC之间的硬件连接。一般常用的方式是通过以太网网口进行连接。根据小组测试实践,我们发现LabVIEW对于以太网网口网络通讯的支持非常友好,并且能够与Delta台达PLC进行稳定的通信。
- ModbusTCP协议配置
在LabVIEW中,通过使用适当的函数以及相关工具包,可以方便地对ModbusTCP协议进行配置。首先,我们需要设置PLC的IP地址和端口号,以便LabVIEW能够正确识别和连接PLC。然后,使用LabVIEW提供的ModbusTCP VIs,可以轻松地读取和写入PLC的寄存器数据。通过对报文的读取和解析,我们可以实现对PLC的控制和监控。
三、辅助测试与程序源码
在实际应用中,为了保证通讯的稳定性和正确性,我们通常需要进行辅助测试。LabVIEW提供了丰富的调试工具,可以方便地监控和分析通讯过程中的各种参数和数据。通过这些工具,我们可以及时发现并解决通讯中可能出现的问题,确保系统的可靠性和稳定性。
此外,LabVIEW还支持程序源码的生成和修改。相较于其他通讯方式,基于LabVIEW的通讯方案无需编写复杂的程序,只需利用相关工具包,即可快速搭建通讯系统。通过命令帧文本编写,无需调用dll或安装插件,我们可以轻松地实现对Delta台达PLC的控制和数据读写操作。
四、高级功能
在继续探讨LabVIEW与Delta台达PLC之间的通讯功能时,我们还需要关注一些高级功能。以下是一些关键功能的介绍:
- 命令帧读写:LabVIEW通过解析ModbusTCP协议的命令帧,实现对PLC寄存器的读写操作。这种方式非常高效,并且易于实现。
- 批量读写:LabVIEW支持一次读写多个寄存器,包括I16、I32、Float等不同类型的寄存器。这种批量读写的方式极大地提高了通讯效率。
- 字符串读写:LabVIEW能够正确解析和处理字符串类型的数据。这对于处理文本型数据非常有用,可以满足更多应用场景的需求。
- XYMBool批量读写:LabVIEW支持对XYMBool类型的寄存器进行批量读写。这种功能对于控制与监测开关状态非常有用。
- YM单点读写:LabVIEW可以实现对YM类型的单个点进行读写。这种读写方式适用于特定的控制需求。
五、结论
本文重点探讨了基于LabVIEW的Delta台达PLC的ModbusTCP协议网络通讯。通过了解ModbusTCP协议的基本原理和LabVIEW的相关工具与函数,我们可以轻松地实现LabVIEW与Delta台达PLC之间的网络通讯。同时,辅助测试和程序源码的设计也是确保通讯稳定性和可靠性的重要步骤。最后,我们还介绍了一些高级功能,使得LabVIEW的通讯方案更加灵活多样。综上所述,基于LabVIEW的Delta台达PLC的ModbusTCP协议网络通讯具有安全稳定、配置简便等优点,适用于工业自动化领域。希望本文能给读者带来一些启示和借鉴,推动工业自动化技术的进一步发展。
以上相关代码,程序地址:http://wekup.cn/672133158444.html
版权归原作者 deZCOYVkgUA 所有, 如有侵权,请联系我们删除。